Plot No-1706/7, Nr Standard Chokdi, South 9 Road, GIDC, Ankleshwar, Bharuch, Gujarat, 393002.
Call Us
+91-9925021364, +91-8320637212
Cart

Your cart is empty.

Structure and Supports

Structure and Supports Structure and Supports

Structure and Supports

Glass plants are normally supported in a tubularstructure formed of galvanised steel tubes. This type of structure is proved robust

Glass plants are normally supported in a tubularstructure formed of galvanised steel tubes. This type of structure is proved robust

Structure and Supports

Support system for glass column – bracing in wall, foundation, base support, guide supports and counter balance support

Glass plants and pipeline should be supported correctly. To prevent inducing undesirable stresses in the glass, support should be rigid. When supported, glass should be in compression.

Generally, glass plant and equipment are supported in a rectangular tubular structure. This structure is formed of galvanised mild steel tubing with the cast iron fittings which are described in this catalogue. This type of structure provides enough flexibility for future modifications and is strong enough to support a glass unit.

Following rules should be followed while supporting a glass unit in a tubular structure.

  • The structure must be rigid. To give lateral support it must be braced back to the nearest wall or any rigid feature.
  • All glass columns are built up from a fixed point on which whole weight of the column should be taken. If total loads exceeds the permissible limits, counter balance supports should be used to relieve excessive weight.
  • With change in temperature, glass column and tubular structure expands at different rate. Therefore glass unit must be free for vertical movement above the fixed point. Hence, above the fixed point, guide supports should be used to give lateral support.
Structure tubes galvanised – tube length and structure dimension

For forming the structure,"B" class galvanised tubes, Mild Steel with Epoxy Coated, Stainless Steel 304 & 316 are used in size of 1/2", 1", 1.1/4", 1.1/2" and 2". Cut tubes are available in required length to form a standard size structure. Cut tubes are provided with rubber plug at both the ends.

Tube size

NB Inches NB mm External Diameter
1/2" 15 19.5
1" 25 32.5
1.1/4" 30 41.5
1.1/2" 40 48.3
2" 50 60.3

Available cut lengths

Structure
Dimension
NB (mm)
15* 25* 30* 40* 50*
For Vertical installation
2500 2500
3000 3000 3000
3500 3500 3500
4000 4000
6000 6000 6000 6000 6000
For Frames
400 365 355 345 335
500 465 455 445 435
600 565 555 545 535
800 765 755 745 735
1000 965 955 1145 935
1200 1165 1155 1145 1135
1500 1465 1455 1445 1435
For Frames
400 435 445 445 455 465
500 535 545 545 555 565
600 635 645 645 655 665
800 835 845 845 855 865
1000 1035 1045 1045 1055 1065
1200 1235 1245 1245 1255 1265
1500 1535 1545 1545 1555 1565
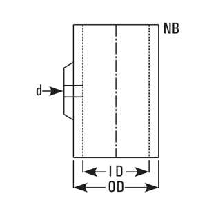
Structure fittings nominal bore dimensions (NB, ID, OD)

Following structure fittings are available to use with galvanised tubes in order to form a tubular structure for a glass plant. These fittings are made of cast iron. Also available in Stainless Steel 304 & 316 and are suitable to the galvanised tubes described earlier. These slidable fittings are provided with grub screws to fix it at required position on a galvanised tube. These fittings are specially made to construct a tubular structure which provides enough flexibility for future modifications without involving any hammering and welding.

NB TUBE DI ID OD d
25 32.5 35 45 1/2"
30 42.5 45 55 1/2"
40 48.3 51 61 1/2"
50 60.3 63 73 1/2"

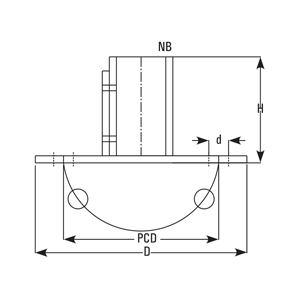
These are to be used with vertical tubes. Holes are provided for foundation.

Cat. Ref NB D H PCD
BS30* 30 150 75 110 4 x 14Ø
BS40 40 150 75 110 4 x 14Ø
BS50 50 175 75 125 4 x 14Ø
Structure and supports

These are generally used to couple the vertical tubes where more length is required.

Cat. Ref NB H H1
CL25 25 150 200
CL30 30 150 200
CL40 40 150 200
CL50 50 150 200
Bend fitting for building frames on vertical tubes

These are used to build frames on vertical tubes.

Cat. Ref NB H L
BN25* 25 50 55
BN30* 30 65 70
BN40 40 70 80
BN50 50 85 95
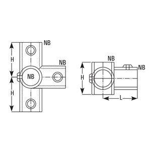
Tee toggle section – dimensions H, L and nominal bore (NB)
Cat.Ref NB H L
T25* 25 50 55
T30* 30 65 70
T40 40 70 80
T50 50 85 95
Double bend toggle section – dimensions H, L and nominal bore (NB)
Cat.Ref NB H L
BN 25 25 50 55
BN30 30 65 70
BN40 40 70 80
BN50 50 85 95
Double tee toggle section – dimensions H, L and nominal bore (NB)
Cat.Ref NB H L
DT25 25 50 55
DT30 30 65 70
DT40 40 70 80
DT50 50 85 95
Equal bracket toggle section – dimensions H, L, L1 and nominal bore (NB)
Cat.Ref NB H L L1
EBT25* 25 50 55 50
EBT30* 30 52 75 60
EBT40 40 62 85 60
EBT50 50 72 95 60
Unequal bracket – dimensions Cat.Ref, NB, NB1, H, L, L1
Cat.Ref NB NB1 H L L1
UBT25/15* 25 15 35 65 50
UBT30/15* 30 15 40 75 60
UBT40/25 40 25 50 85 60
UBT50/25 50 25 55 95 60
Cross dimensions (NB = nominal bore, H = height, L = length)
Cat.Ref NB H L
X25 25 50 45
X30 30 65 55
X40 40 65 70
X50 50 65 85
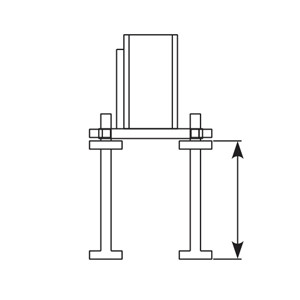
Support fitting – dimensions H, L, d and nominal bore (NB)
Cat.Ref NB h L d
SPT15* 15 40 35 13
SPT25* 25 55 50 13
SPT30* 30 55 57 13
SPT40 40 55 62 13
SPT50 50 55 67 13
Plug for galvanised tubes – nominal bore (NB)

These are used to plug the open ends of galvanised tubes.

Cat.Ref NB
PLUG15* 15
PLUG25* 25
PLUG30* 30
PLUG40 40
PLUG59 50
Stud – dimensions d (diameter) and L (length)

These are used to plug the open ends of galvanised tubes.

Cat.Ref d L
STUD5/16-150* 5/16" 150
STUD3/8-150* 3/8" 150
STUD1/2-200 1/2" 200
Structure dimensions – depth and width of support structure

FOR COLUMNS

DN Recommended tube size NB (mm) Minimum Structure size Depth X Width
80 25 500 x 500
S100 25 500 x 500
150 25, 30 600 x 600
225 30 800 x 800
300 30 800 x 800
400 30 1000 x 1000
450 30, 40 1000 x 1000
600 40, 50 1200 x 1200
Structure dimensions for vessels in heating mantles – depth and width with round-bottom flask

FOR VESSELS (IN HEATING MENTLES)

Size (Litres) Recommended tube size NB (mm) Minimum Structure size Depth X Width
20 25 600 x 600
50 25 600 x 800
100 25, 30 800 x 800
200 30 800 x 1000
Structure dimensions for vessels in heating baths – depth and width

FOR VESSELS (IN HEATING BATHS)

Size (Litres) Recommended tube size NB (mm) Minimum Structure size Depth X Width
20 25 500 x 600
50 25 600 x 800
100 25, 30 800 x 1000
200 30 800 x 1200
Structure dimensions for vessels in vessel holders – depth and width

FOR VESSELS (IN VESSEL HOLDERS)

Size (Litres) Recommended tube size NB (mm) Minimum Structure size Depth X Width
20 25 500 x 600
50 25 600 x 800
100 25, 30 1000 x 1000
200 30 1000 x 1000
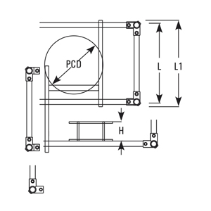
Column base support frames – dimensions PCD, L1, L and H

These channel frames are used as fixed support in erection of columns. These are supplied with full threaded jacking rods and U bolts.

Cat.Ref PCD L1 L H
FCSH225 310 1000 800 75
FCSH300 3395 1000 800 75
FCSH400 495 495 1000 75
FCSH450 585 1200 1000 100
FCSH600 710 1400 1200 100

1. Take one Cast Iron BASE and four foundationBolts,each with 2 nuts.

Grouting of base – cast iron base with four foundation bolts and nuts

2. Fit the bolts in BASE so that base is raised up to 50mm from head of bolts.

Base raised up to 50mm from head of bolts

3. Put this assembly on the floor and prepare a rough surface for proper bonding of grouting.

Assembly on floor with rough surface for grouting

4. Make a concrete block over the bolts of about 200 x 200 mm up to the base of BASE i.e. 150mm high.

Concrete block over bolts up to base of BASE

5. Prepare separate block for each BASE instead of making one big common block. For all BASES.

Separate block for each BASE
Assembly process of modular tubular frame structure – from vertical tubes and fittings to hoisting, bracing, foundation, plumb and level adjustment
  1. Mark the position of required fittings on all the Vertical tubes, slide them in correct sequence and lightly Tighten.
  2. Assemble one side frame of the structure by adding the crosstubes between two vertical tubes.
  3. Assemble other side frame of the structure by adding the crosstubes between other two vertical tubes.
  4. Build up the cross tubes in one side frame and Tighten lightly.
  5. Add the other side frame on it and tighten all the fittings firmly.
  6. Hoist the structure and brace it to some existing rigid feature.
  7. Grout the foundation bolts and fix the structure bases with that.
  8. Adjust bracing to obtain a correct plumb in Structure.
  9. Adjust the horizontal frames in correct level.
  10. Assemble the support tubes at their positions.