Plot No-1706/7, Nr Standard Chokdi, South 9 Road, GIDC, Ankleshwar, Bharuch, Gujarat, 393002.
Call Us
+91-9925021364, +91-8320637212
Cart

Your cart is empty.

Technical Packages

Engineering solutions for process & laboratory equipment

Wiping Film Evaporator

Wiping Film Evaporator

Efficient thin-film evaporation for heat-sensitive materials. Ideal for concentration of viscous or fouling products with minimal residence time.

Read More
Falling Film Absorber

Falling Film Absorber

Continuous absorption process with high mass transfer. Suitable for gas absorption and stripping applications in chemical processing.

Read More
Sulphuric Acid Concentration System

Sulphuric Acid Concentration System

Dedicated system for concentrating sulphuric acid with corrosion-resistant design. Handles high temperatures and aggressive media safely.

Read More
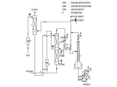
Bromine Recovery System

Bromine Recovery System

Alpha Scientific Glass offers suitable bromine recovery plant for the various feedstock based on our 20 years expertise in this field.

Read More
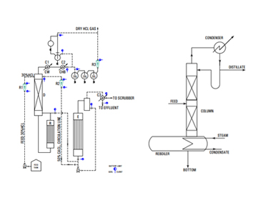
Anhydrous HCL Gas Generator

Anhydrous HCL Gas Generator

Commercial Hydrochloric Acid is available in the market as 30% aqueous solution. But for certain applications anhydrous HCl gas is required, which we generate efficiently with our proven systems.

Read More
Anhydrous HCI Gas Generator

Anhydrous HCI Gas Generator

Hydrochloric acid and water form a maximum boiling point azeotrope at 110°C corresponding to a concentration of 20.24%; our generator delivers dry HCl gas for demanding applications.

Read More
Solvent Recovery

Solvent Recovery

Solvents are universally used in wide variety of industries, their use by no means being limited to the chemical industry.

Read More
Rotating Disck Extraction Column

Rotating Disck Extraction Column

Separation will be carried out normally with the help of distillation but when it is not feasible by distillation or ineffective liquid-liquid extraction is used.

Read More
Precious Metal Refining

Precious Metal Refining

Borosilicate glass is inert to almost all materials. Due to which it is now widely used in Precious Metal Refining Industry.

Read More
Agitated Glass Nutsche Filter / Peptide Synthesizer

Agitated Glass Nutsche Filter / Peptide Synthesizer

Agitated Glass Nutsche Filter is a closed vessel designed to separate solid and liquid by filtration under vacuum. The closed system ensures odourless contamination free and non-polluting working conditions.

Read More