Stirrers
Stirrers
A variety of stirrer & stirrer drives are available to use glass vessels as agitated reaction equipment
- Stirrer material of construction: Glass, Stainless Steel or PTFE Lined
- Stirrer Design: Impeller stirrer with blades, Vortex stirrer, Propeller Stirrer & anchor Stirrer
- Stirring Drive: Non-flameproof or Flameproof stirrer drive, 192 RPM with Variable Frequency Drive.
- Stirring Assembly: Stirring Assembly with bellow seal or with mechanical seal.
Stirrers
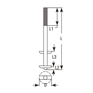
Stirrers are assembled in a vessel using a chuck, seal & a reducer. A typical arrangement of stirrer fitted in a vessel is shown in the diagram.
| Size | A | B | C | D | L |
|---|---|---|---|---|---|
| 20 L | 250 | 150 | 450 | 25 | 825 |
| 50 L | 300 | 200 | 600 | 50 | 1050 |
| 100 L | 300 | 250 | 700 | 50 | 1200 |
| 200 L | 300 | 300 | 900 | 50 | 1450 |
| 300L | 300 | 25 | 1000 | 50 | 1275 |
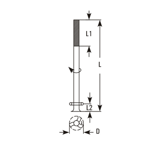
This unit is suitable for use under corrosive conditions. Only glass and PTFE are exposed to process fluids. Bellow seal can be used under vacuum down to 10mm Hg absolute. Mechanical seal can be used under vacuum 1mm Hg absolute or under pressure permitted into glass vessels. Generally a reducer is required to connect the chuck and seal to the top neck of the vessel.
| Cat.Ref. Bellow Seal | Cat.Ref. Mechanical Seal | Vessel | DN | L | L1 | d |
|---|---|---|---|---|---|---|
| CSA1* | CSM1* | 20 L | 50 | 300 | 250 | 25 |
| CSA1.5* | CSM1.5* | 50, 100, 200 L | 80 | 360 | 300 | 47 |
These stirrers are used with liquid of low viscosity.
| Cat.Ref. | Vessel | L | L1 | L2 | L3 | d | D |
|---|---|---|---|---|---|---|---|
| STB10 | 10 | 600 | 300 | 15 | 175 | 25 | 100 |
| STB20 | 20 | 825 | 300 | 25 | 200 | 25 | 100 |
| STB50* | 50 | 1050 | 300 | 25 | 200 | 47 | 150 |
| PSTB100* | 100 | 1200 | 300 | 30 | 250 | 47 | 175 |
| STB200* | 200 | 1450 | 300 | 30 | 325 | 47 | 200 |
| STB300 | 300 | 1550 | 350 | 30 | 425 | 59 | 275 |
These stirrers are used with liquid of low viscosity containing small solid particles.
| Cat.Ref. | Vessel | L | L1 | L2 | d | D |
|---|---|---|---|---|---|---|
| STV50 | 50 | 1050 | 300 | 50 | 47 | 95 |
| STV100 | 100 | 1200 | 300 | 65 | 47 | 140 |
| STV200 | 200 | 1450 | 300 | 65 | 47 | 190 |
These stirrers are used with liquid of high viscosity or liquid with big solid particles.
| Cat.Ref. | Vessel | L | L1 | L2 | d | D |
|---|---|---|---|---|---|---|
| STP50 | 50 | 1050 | 300 | 50 | 47 | 95 |
| STP100 | 100 | 1200 | 300 | 65 | 47 | 145 |
| STP200 | 200 | 1450 | 300 | 65 | 47 | 210 |
A stirrer is assembled in chuck with mechanical seal and appropriate reducer. This assembly is convenient to install on a vessel. The assembly consist of :
- Glass stirrer STB/STV/STP
- Chuck and mechanical seal CSM
- Reducer PR
| Cat.Ref. | For Vessel | Stirrer Used | Chuck & Seal | Reducer Used |
|---|---|---|---|---|
| STBM20 | 20L | STB20 | CSA1 | PR4/2 |
| STBM50* | 50L | STB50 | CSA1.5 | PR6/3 |
| STBM100* | 100L | STB100 | CSA1.5 | PR9/3 |
| STBM200 | 200L | STB200 | CSA1.5 | PR12/3 |
| STBM300 | 300L | STB300 | STB300 | PR16/4 |
| STVM50 | 50L | STV50 | CSA1.5 | PR6/3 |
| STVM100 | 100L | STV100 | CSA1.5 | PR9/3 |
| STVM200 | 200L | STV200 | CSA1.5 | PR12/3 |
| STVM300 | 300L | STV300 | CSA2 | PR16/4 |
| STPM50 | 50L | STP50 | CSA1.5 | PR6/3 |
| STPM100 | 100L | STP100 | CSA1.5 | PR9/3 |
| STPM200 | 200L | STP200 | CSA1.5 | PR12/3 |
| STPM300 | 300L | STP300 | CSA2 | PR16/4 |
| Cat.Ref. | For Vessel | Stirrer Used | Chuck & Seal | Reducer Used |
|---|---|---|---|---|
| STBM20/P | 20L | SS PTFE LINED | CSA1 | PR4/2 |
| STBM50/P | 50L | SS PTFE LINED | CSA1.5 | PR6/3 |
| STBM100/P | 100L | SS PTFE LINED | CSA1.5 | PR9/3 |
| STBM200/P | 200L | SS PTFE LINED | CSA1.5 | PR12/3 |
| STBM300/P | 300L | SS PTFE LINED | CSA2 | PR16/4 |
| STVM50/P | 50L | SS PTFE LINED | CSA1.5 | PR6/3 |
| STVM100/P | 100L | SS PTFE LINED | CSA1.5 | PR9/3 |
| STVM200/P | 200L | SS PTFE LINED | CSA1.5 | CSA1.5 |
| STVM300/P | 300L | SS PTFE LINED | CSA2 | PR16/4 |
| STPM50/P | 50L | SS PTFE LINED | CSA1.5 | PR6/3 |
| STPM100/P | 100L | SS PTFE LINED | CSA1.5 | PR9/3 |
| STPM200/P | 200L | SS PTFE LINED | CSA1.5 | CSA1.5 |
| STPM300/P | 300L | SS PTFE LINED | CSA2 | PR16/4 |
A 1400 RPM 3 Phase flameproof motor coupled with reduction gear is supplied along with a flexible shaft. Motor is mounted on a metal base frame, which is designed to install easily with a Glass Assembly.
| Cat.Ref. | HP | RPM |
|---|---|---|
| RPM | RPM | 192 |
| FSD 1 | FSD 1 | 192 |
3 Phase non-flameproof regulators and Flameproof VFD Type regulator are available to control the speed of stirrer drives.
| Cat.Ref. | Phase | Type |
|---|---|---|
| VFD 0.5* | 3 | VFD |
We also offer Ex certified motor coupled with bonfiglioli gearbox for better safety and performance.
| Cat.Ref. | HP | RPM |
|---|---|---|
| FSD 0.5/ Ex | 0.5 | 192 |